هوالرزاق


دسته بندی
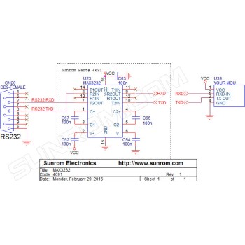
ماژول مبدل سریال TTL به RS232 تراشه max3232
ماژول مبدل سریال TTL به RS232 تراشه max3232 ماژول مبدل سریال TTL به RS232 تراشه max3232 ماژول مبدل سریال TTL به RS232 تراشه max3232 ماژول مبدل سریال TTL به RS232 تراشه max3232 ماژول مبدل سریال TTL به RS232 تراشه max3232 ماژول مبدل سریال TTL به RS232 تراشه max3232

ماژول مبدل سریال TTL به RS232 تراشه max3232

کد انبار : 218-114-1847
مدل کالا : MAX3232CSE
جستارش : A1-02-0704B
موجودی: در حال حاضر موجود نمی باشد. موجودی کالا
قیمت:
26,130 تومان

تعداد: - +
   - یا -   
برچسب ها: مبدل TTL به RS232

مبدل سریال TTL به RS232 - ماژول MAX3232 مینی

ماژول مبدل سریال TTL به RS232 مدل MAX3232 مینی یکی از پرکاربردترین قطعات در پروژه های الکترونیکی و ارتباطات سریال است. این محصول با استفاده از تراشه اصلی MAX3232CSE طراحی شده و قادر است سیگنال های منطقی سطح TTL را به استاندارد ارتباطی RS232 تبدیل کند. ماژول مبدل TTL به RS232 با چیپ MAX3232 برای ارتباط بین میکروکنترلر ها و دستگاه های صنعتی گزینه ای مطمئن و کارآمد محسوب می شود.

این ماژول با ولتاژ تغذیه 3 تا 5 ولت کار می کند و با ولتاژ های 3.3 و 5 ولت نیز سازگار است. نرخ انتقال داده آن تا 120 کیلوبیت بر ثانیه می رسد و مصرف جریان در حالت عادی حدود 300 میکرو آمپر است. ابعاد ماژول برابر با 9.4x15.9 میلی متر می باشد که باعث شده در پروژه هایی با محدودیت فضا به آسانی قابل استفاده باشد.

ماژول مبدل سریال TTL به RS232 به دلیل طراحی فشرده، مصرف پایین انرژی و عملکرد پایدار، در سیستم های کنترلی، تجهیزات مانیتورینگ و پروژه های آموزشی بسیار پرکاربرد است. این ماژول با انواع میکروکنترلر های AVR ، PIC ، ARM و همچنین برد های توسعه مانند Arduino و Raspberry Pi سازگار می باشد. راه اندازی آن ساده است و تنها با چند اتصال پایه می توان ارتباط بین دو دستگاه را برقرار کرد.

تبدیل سیگنال TTL به RS232 با ماژول MAX3232 با دقت بالا و تاخیر بسیار کم انجام می شود. این ویژگی موجب شده تا این مبدل در پروژه های حساس که نیاز به ارتباط پایدار دارند عملکردی قابل اعتماد ارائه دهد. طراحی الکتریکی آن به گونه ای است که در برابر نویز مقاوم بوده و انتقال داده ها را با کیفیت بالا انجام می دهد.

ماژول MAX3232 علاوه بر عملکرد دقیق، از نظر اقتصادی نیز گزینه ای به صرفه برای طراحان و تکنسین های الکترونیک است. این محصول در پروژه های صنعتی، تحقیقاتی و حتی آموزشی قابل استفاده می باشد و برای افرادی که به دنبال خرید ماژول RS232 به TTL هستند یکی از بهترین انتخاب ها است.

در جمع بندی می توان گفت ماژول مبدل سریال TTL به RS232 مدل MAX3232 مینی ترکیبی از طراحی دقیق، مصرف پایین انرژی، ابعاد کوچک و سازگاری بالا با تجهیزات مختلف است. این مبدل برای ایجاد ارتباط مطمئن بین دستگاه های دیجیتال با سطوح ولتاژ متفاوت طراحی شده و در هر پروژه ای که نیاز به انتقال داده سریال وجود داشته باشد، عملکردی پایدار و مطمئن ارائه می دهد.

کاربرد :

  1. برقراری ارتباط بین میکروکنترلر و کامپیوتر از طریق پورت RS232
  2. اتصال دستگاه های صنعتی با خروجی RS232 به مدار های TTL
  3. استفاده در سیستم های مانیتورینگ و کنترل صنعتی
  4. کاربرد در پروژه های آموزشی و آزمایشگاهی الکترونیک
  5. ارتباط بین برد های توسعه مانند Arduino و Raspberry Pi
  6. استفاده در دستگاه های اندازه گیری و دیتا لاگر های سریال

مشخصات :

  1. تراشه اصلی : MAX3232CSE
  2. پروتکل ارتباطی : TTL به RS232
  3. سازگاری ولتاژ : پشتیبانی از ولتاژ 3.3 و 5 ولت
  4. ولتاژ تغذیه : 3 تا 5 ولت
  5. نرخ انتقال داده : تا 120 کیلوبیت بر ثانیه
  6. مصرف جریان در حالت عادی : 300 میکرو آمپر
  7. ابعاد : 15.9x9.4 میلی متر

مستندات:
دانلود دیتاشیت آی سی MAX3232

از این پس درج نظرات صرفا از طریق سامانه آفتاب یار امکان پذیر می باشد، برای وارد شدن به صفحه کالا بر روی لینک زیر کلیک کنید:
http://aftabyar.com/page/aftab-218.html
AftabRayaneh©2022